PANHARD Tipps & Tricks

P A N H A R D   —  Tipps & Tricks

Baugruppe :
Bauteil :
Problem :
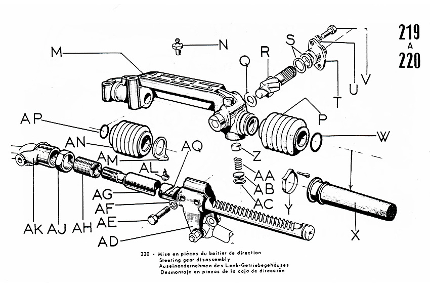
LENKUNG
Lenkgetriebe
Zusammenbau
Bei meinem 17er habe ich das Lenkgetriebe aus- und auseinander gebaut, weil der TÜV die gerissene Gummimanschette reklamiert hatte. Leider habe ich nun ein Problem beim Wieder-Zusammenbau, dass mich nun schon einen ganzen Tag an Überlegung und Probieren gekostet hat.
Das verfluchte Lenkungsritzel will doch partout nicht mehr richtig ins Gehäuse. Bis zu den Halbschalen ist alles kein Problem, dann aber hakt es. Inzwischen habe ich die Ganze Sache 3 x wieder aus- und neu zusammengebaut, leider aber ohne jede Änderung des Problems. Wenn man ganz gewalttätig ist und das Ritzel mit sehr viel Kraft eindrückt, kommt es zwar bis in die richtige Position, dann aber lässt es sich praktisch nicht mehr drehen.


Unten mal eine Zeichnung vom Innenleben des Lenkgetriebes. Den kleinen Deckel mit der Feder und dem Druckstück hattest du ja schon abgebaut, der muss sowieso erst am Schluß wieder dran.
Das Ritzel wird so eingestellt dass du so viele Einstellscheiben S dazugibst, bis das Ritzel nach Festschrauben des Flansches T fest ist. Du nimmst alles noch mal auseinander und nimmst eine Einstellscheibe 0,1mm weg.
Beim Einbau kann stören dass der untere Ring Q verrutscht ist, aber eher würde ich schauen, ob die Zahnstange richtig steht. Durch den Flansch für die Spurstange links wird die Zahnstange geführt. Das obere Teil des Flansches läuft im Gehäuse wie in einer Kulisse. Mach also zuerst den Flansch lose, so dass die Zahnstange sich etwas drehen lässt, dann stell das Ritzel ein und montiere es. Jetzt klemmst du den Flansch für die Spurstange.
Sehe gerade, du hast ja das späte Lenkgetriebe mit der anderen Klemmung für das Ritzel. Da müsste ich jetzt nachsehen, wie man das Spiel einstellt. Jedenfalls würde ich da auch zuerst versuchen die Zahnstange am Flansch zur Spurstange zu lösen, der untere Teil vom Lenkgetriebe ist ja gleich.
siehe auch :       Wechsel der Lenkungs-Manchette